TOA-DKK 자동 세척/교정 기능 탑재 pH 측정기
HOME > 제품소개 > 수질 > TOA-DKK > MAC-1600

MAC-1600
자동 세척/교정 기능 탑재 pH 측정기
- 2채널 지원 자동세척 pH 미터
편의성 향상 : 복잡하고 시간이 소요되는 수동 교정 과정을 간소화하여 사용자의 편의성을 크게 높입니다.
정확도 및 신뢰도 증가 : 인적 오류 가능성을 최소화하고, 정해진 프로토콜에 따라 일관된 교정을 수행하여 측정 결과의 정확도와 신뢰도를 향상합니다.
시간 절약 : 교정 과정을 신속하게 완료할 수 있어 전체적인 측정 시간을 단축합니다.
사용자 오류 감소 : 특히 pH 측정에 익숙하지 않은 사용자도 쉽게 정확한 교정을 수행할 수 있도록 돕습니다.
MAC-1600은 pH 전극 세척 및 표준 용액을 이용한 2점 교정을 자동화하는 현장 설치형 자동 세척/교정 기능 탑재 pH 측정기입니다. 번거로운 유지 관리 작업을 줄일 뿐만 아니라, 오랜 기간 동안 높은 신뢰성으로 pH를 측정할 수 있습니다. 단일 변환기로 두 개의 센서를 제어하는 2채널 측정 기능 외에도 다양한 플랜트 시설에서 pH 제어나 모니터링에 사용할 수 있습니다.
자동 교정 pH 측정기는 수동 교정의 번거로움을 줄이고 측정 정확도를 높여 다양한 분야에서 널리 활용되고 있습니다. 이 장치는 용액의 산도 또는 알칼리도(pH)를 측정하는 기기로, 특히 실험실, 산업 현장, 수질 관리, 식품 제조 등 정밀한 pH 측정이 요구되는 곳에서 중요한 역할을 합니다.
▶ pH 자동 세척 / 교정 기능이란?
pH 측정기는 정확한 측정을 위해 주기적인 교정이 필수적입니다. 자동 교정 기능은 pH 표준 용액(버퍼 용액)을 사용하여 측정기가 스스로 교정 과정을 수행하도록 하는 기능입니다. 사용자가 표준 용액에 전극을 담그고 버튼을 누르거나 메뉴에서 해당 기능을 선택하면, 측정기는 용액의 pH 값을 자동으로 인식하고 내부 시스템을 조정하여 정확한 측정값을 제공하도록 설정됩니다.
일반적으로 1점, 2점 이상의 다점 교정을 지원하며, 여러 pH 값의 표준 용액을 사용하여 더 넓은 범위에서 정확도를 확보할 수 있습니다. 많은 자동 교정 pH 측정기는 자동 온도 보상(ATC) 기능을 함께 제공하여 측정 시 용액의 온도 변화에 따른 pH 값의 오차를 자동으로 교정해 줍니다.
▣ 자동 세척 / 교정 pH 측정기의 작동 원리
pH 측정기는 유리 전극과 기준 전극 사이에서 발생하는 전위차를 측정하여 용액의 pH 값을 결정합니다. 이 관계는 Nernst 방정식에 기반합니다. 자동 교정 시, 측정기는 알려진 pH 값의 표준 용액에서 측정된 전위차를 Nernst 방정식에 대입하여 전극의 기울기(slope)와 영점(offset)을 조정합니다. 이 과정을 통해 측정기는 이후 미지 시료의 pH 값을 정확하게 계산할 수 있게 됩니다. 일부 고급 모델은 센서의 상태를 자가 진단하고 교정 시기를 알려주기도 합니다.
pH 전극 세척과 표준 용액을 사용한 이중 포인트 교정을 자동화하는 현장 설치형 pH 미터입니다. 번거로운 유지보수 작업을 줄일 뿐만 아니라, 오랜 기간 동안 높은 신뢰성으로 pH를 측정할 수 있습니다. 단일 변환기로 두 개의 센서를 제어하는 2채널 측정 기능 외에도 다양한 플랜트 시설에서 pH 제어나 모니터링에 사용할 수 있습니다.
▣ MAC-1600 자동 세척/교정 pH 측정기의 특징
1. 유지 관리 작업에서 노동력/비용 절감
전극을 청소하고 표준 용액을 정기적으로 교정하십시오. 이는 유지 관리 작업에 대한 노동력을 절약하는 데 도움이 됩니다. 또한 위험한 장소와 열악한 환경에 있는 장소에서의 유지 관리 작업의 부담을 크게 줄입니다.
2. 신뢰할 수 있는 pH 측정
자동으로 표준 용액 pH7 및 pH4 또는 pH9로 2포인트 교정을 수행합니다. 높은 정확도로 수행되기 때문에 안정적이고 신뢰할 수 있는 pH 모니터링 및 pH 제어를 오랜 기간 동안 계속할 수 있습니다.
3. 2채널 측정 지원(선택 사항) - 이중화 가능
두 개의 검출기를 연결하는 두 개의 채널을 동시에 측정함으로써(액체 공급 제어 장치 포함) 교정 및 세척 중에도 누락 없이 측정이 가능합니다. 자동 전송 출력 전환 기능은 같은 샘플 측정에 효과적입니다.

(1) 고정된 채널1이 선호(청소 및 자동 교정 중에 자동으로 채널2로 전환)
(2) 고정된 채널2 우선 (청소 및 자동 교정시 자동으로 채널1로 전환)
(3) 전환 스위칭 (마지막으로 청소하고 교정된 채널의 우선 출력)
(4) 전극 성능 우선순위 (전극의 건전성은 매번 교정 시 비교되며, 좋은 채널에 우선 출력이 주어집니다)
4. 세 가지 유형의 전극 변형
과거에 검증된 5600 시리즈 전극 외에도, 팁 교체 가능한 전극과 디지털 전극(CALMEMO-pH)이 라인업에 포함되었습니다. 최적의 pH 전극은 유지보수성과 현장 조건에 따라 선택할 수 있습니다.

5. 높은 세척 효율을 갖춘 리프트업 타입 공중 분사 세척
전극 홀더는 공기 실린더에 의해 샘플 수면에서 끌어 올려집니다. 물이 방출되고 고압 세척수가 공기 중의 전극 민감 부분에 주입됩니다. 이는 낮은 압력 손실과 높은 분사 효과를 가진 세척 방법입니다. 또한, 화학 솔루션이 샘플 수면과 같은 방식으로 접촉하지 않기 때문에 희석으로 인한 효과 감소에 대한 우려가 없습니다.
6. 간편하고 신뢰할 수 있는 리프트업 방식의 공중 교정
자동 세척 후, 공기 중에 같은 방식으로 두 종류의 pH 표준 용액이 순차적으로 세척됩니다. 전극의 민감한 부분에 액체를 공급하고 번호와 접촉시킵니다. 샘플 수나 세척 수(화학 용액)와의 오염 위험이 없으므로 안정적이고 신뢰할 수 있는 자동 교정이 짧은 시간(약 10분) 내에 수행될 수 있습니다. 또한 교환 가능한 팁 전극 및 CALMEMO pH 전극에 필요한 시간은 약 3분 정도 줄일 수 있습니다.
7. 적절하고 실용적인 자가 진단 메시지
교정이 불가능하거나 전극이 손상된 경우, 'Instrument failure(기기 고장)'이라는 집합 신호를 출력합니다. 이때 기기에 표시된 18가지 오류 메시지를 정확하게 수정할 수 있습니다. 또한, 전극 오염, 표준액 부족, 세척액 부족 시 세 가지 유형의 경보 신호가 "Maintenance required(정비 필요)" 로 출력되어 필요에 따라 적절한 정비를 수행할 수 있습니다.
8. 플랜트 자동화를 위한 원격 기능
자동 세척 및 교정은 기기의 캘린더 타이머로 시작할 수 있습니다. 이는 제어실의 시작 신호에 의해 수행될 수 있으며, 세척 또는 교정 중에 응답 신호를 출력합니다. 또한, 플랜트가 중단될 때 전극이 더럽혀지지 않도록 들어올리기 위한 대기 작업 지시를 내릴 수 있으며, 이때 대기 중에 회신 신호를 출력합니다.
9. 홀더 세척 기능
홀더 세척 기능을 통해 전극뿐만 아니라 전극 홀더도 화학적으로 세척할 수 있습니다.
▣ 구성 다이어그램

▣ 자동 세척 및 자동 교정 pH 측정기의 구성

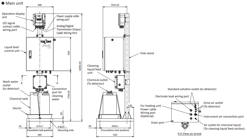
▣ 자동 교정 pH 측정기 치수


▣ 표준 사양
제품명 |
|
모델명 |
|
측정 대상 |
|
측정 방법 |
|
측정 범위 |
|
디스플레이 |
|
아날로그 출력 |
|
디지털 출력 |
|
알람 접점 출력 |
|
제어 접점 입력 |
|
제어 접점 출력 |
|
전원 공급 |
|
기능 |
|
온도 보상 범위 |
|
자동 교정 방법 |
|
자동 세척 방법 |
|
대기 명령 |
|
조합 pH 전극 (배송 시 지정됨) |
|
샘플 pH 온도 보정 |
|
구조 제작 |
|
마운팅 |
|
재질 |
|
색상 |
|
Air 공급 |
|
세척수 공급 |
|
케이블 연결 포트 |
|
샘플 수질 조건 |
|
온도/습도 |
|
무게 |
|